Implementation using D flip flop - mbits-mirafra/digitalDesignCourse GitHub Wiki
There are 3 states:
-
0-00
-
1-01
-
2-10
Since there r only 3 states the 4th state 11 is represented with -
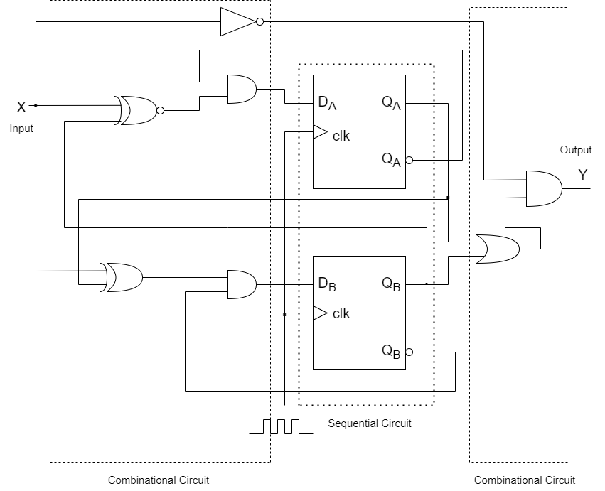
The Karnaugh maps for simplifying flip-flop inputs and the output are shown below
K Map for DB


K Map for DA


K Map for output Y


