Full subtractor - mbits-mirafra/digitalDesignCourse GitHub Wiki
What is Full subtractor?
A full subtractor is a combinational circuit that performs the subtraction of three bits. It takes in three input bits: A, B, and the borrow input (from the previous stage of a multi-bit subtraction). The full subtractor outputs the difference between the minuend and subtrahend, as well as a borrow output to the next stage of the subtraction.
Why do we need to learn this topic?
Full subtractor is an important digital logic circuit used in digital systems, especially in arithmetic circuits. It is used to subtract two binary numbers, and can also handle borrow from the previous bit. Learning about full subtractor is important for understanding how digital circuits perform subtraction and borrow operations. It is also an essential building block for designing more complex digital systems, such as microprocessors, calculators, and other electronic devices that involve arithmetic operations
Advantages of full subtractor
- Full subtractor is used to subtract two bits and a borrow bit from the previous subtraction process.
- Full subtractor circuit can be used to subtract large numbers by cascading the subtractor circuits.
- It can be used in digital circuits for arithmetic operations.
- The output of the full subtractor can be used as an input to another subtractor circuit, which makes it ideal for complex calculations
Disadvantages of full subtractor
- The circuit requires more components compared to a half subtractor, making it more complex.
- The propagation delay of the full subtractor is higher compared to the half subtractor, which can affect the performance of the system.
- Full subtractor requires more space on a chip, which can be a limitation in some applications.
When is full subtractor used?
Digital Arithmetic Circuits: It is an essential component in digital arithmetic circuits, such as digital calculators, computers, and other digital devices. It is used to subtract two digit numbers and provide the correct result along with the borrow bit.
Sequential Logic Circuits: It is used in sequential logic circuits, such as counters and shift registers, where it is used to perform subtraction operations.
Digital Filters: It is also used in digital filters, where it is used to subtract two digital signals and provide the filtered output signal.
How is full subtractor used?
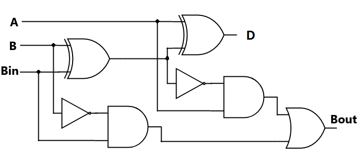
A full subtractor is a combinational circuit that performs the subtraction of three bits. The three bits are two minuends (A and B) and a borrow-in (BIN) from the previous subtractor. The output of the full subtractor is the difference (DIFF) and the borrow-out (BOUT) to the next subtractor.
Consider the example A=0, B=1, Bin=1
In this example, we want to subtract A from B (B - A), and there is a borrow input (Bin=1). The inputs are:
A = 0 B = 1 Bin = 1 So, the output is D=0 (the difference of B - A), and Bout=0 (there is no borrow output).
The circuit diagram and Truth table for half adder is shown below:


