D FLIP FLOP TO SR FLIP FLOP - mbits-mirafra/digitalDesignCourse GitHub Wiki
Step 1: Write the truth table of the required flip-flop
Here the required flip-flop is SR flip-flop

Step 2: Write the excitation table of the given flip-flop
In this case the given flip-flop is D flip-flop

Step 3: The conversion table, which is a combination of truth table and excitation table
To implement a SR flip-flop from D flip-flop is as follows

Step 4: Find the Boolean expressions for the inputs of the given flip-flop
In this case, the given flip-flop is D.
Therefore, write the Boolean expressions for D from the conversion table using K-Map.
K-Map for D:

Expression for D would be

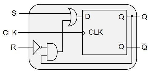
Step 5: Draw the circuit for implementing SR flip-flop from D flip-flop
For this, connect the D input of the D flip-flop to the circuit of the Boolean expression for D.
Therefore, the circuit would be:
