硬件的测试 - suisuisi/FPGAandUSB3.0 GitHub Wiki

本次演示用的是USB3.0芯片-CYPRESS CYUSB3014(下称 FX3),该芯片是标准的USB3.0 PHY,可以大大简化使用USB通信时FPGA的设计,主需要使用状态机进行FIFO的读写控制即可,同时该芯片还具有ARM核+I2S、I2C、SPI、UART等接口,大大增加了该芯片的使用范围。
经过前面几期的介绍,我们基本了解及准备好所需要的环境,接下来我们就需要在应用之前先测试一下我们的硬件,主要包括:loopback传输测试、数据吞吐量测试、Streamer功能测试。
将FX3 USB口插上电脑后,可以在设备管理器中看到一个未识别到的设备:
右击,更新驱动程序:
驱动所在位置和自己安装路径有关,我使用的是默认安装位置,所以驱动位置在:
C:\Program Files (x86)\Cypress\EZ-USB FX3 SDK\1.3\driver\bin\win8\x64.
上面路径和自己安装路径和所使用的平台有关,具体需要自己去选择(Win7选择win7文件夹下,win8和win10选择win8文件夹下)。
安装完驱动后,惊叹号消失,出现如下列表中设备,可以记住他的VID/ID。
何为LoopBack,通俗点就是FX3接收到什么数据就发送什么数据(类似串口回环)。
在上诉过程中,FX3内部ARM核(ARM9)是不参与数据本身传输的,固件配置好后,内部通过DMA进行数据的搬运。
在上一节基础上测试FX3的硬件。
参考(《官方AN70983》)就可以完成本节实验,完全没必要看下面的内容(是不是说多了!)。
测试的历程都是由SDK提供的历程。
本节测试固件代码来源:
C:\Program Files (x86)\Cypress\EZ-USB FX3 SDK\1.3\firmware\basic_examples\cyfxbulklpautoenum
PS:还是根据自己安装 目录选择。
COPY到一个不含中文路劲及空格的文件夹下。
在开始菜单内选择Cypress-->Eclipse-->EZ USB Suite:
打开后如下图所示:
空白处右击:
点击:
General > Existing Projects into Workspace and click Next
然后,点击Browse
选择刚刚COPY的文件夹:
会识别到工程,然后Finish。
在Project Explore下会出现新导入的工程,选中该工程并右击,弹出的菜单中选择Build Project对工程进行编译。
编译完会在Console下输出打印信息:Build Finish,证明编译完成。
此时在工程目录下会生成一个Debug的文件夹,文件夹下面就生成了我们需要的固件,如下:
接下来,根据自己的硬件选择从USB引导。
插上USB,就可以在设备管理器上看到FX3设备。
接下来启动Control Center
开始 > 程序 >Cypress > Cypress USBSuite > Control Center
在左侧USB Control Center中单击Cypress USB BootLoader(表示对该设备进行操作)。
选择Program > FX3 > RAM。
其中RAM类似FPGA中JTAG调试,烧写到其他两种芯片需要看FX3芯片外围接口芯片是什么,根据需求选择,我们目前还是在调试,所以选择烧写到RAM中。
选择在上一节基础上生成的固件(Debug文件夹下):
在上面操作没问题的情况 下:工作窗口中原先的Cypress USB BootLoader就编程了我们下载固件的名字(Cypress USB BulkLoopExample)。
在上一节基础上,单击打开Cypress USB BulkLoopExample。选中Bulk out endpoint(0x01)选项,在Data Transfers-->Data to send(Hex)中输入要发送给FX3的数据。单击Transfer Data-OUT发送数据。
在下图中的信息串口就会出现刚刚发送的内容及Bulk out Transfers completed的提示,证明传输已经完成。
接下来,单击Bulk in endpoint(0x81)选项,然后单击Data Transfers-->Data-IN按钮。
在下图中的信息串口就会出现刚刚发送的内容及Bulk IN Transfers completed的提示,证明传输已经完成。
接下来进行批量LoopBack测试。
在上一节基础上,打开Bulk Loop。
点击Start 按钮运行一段时间后,可以对比Bytes transferred OUT好Bytes transferred IN后面的统计,看下LoopBack测试下有没有丢包。
本次使用的是SDK目录下:
C:\Program Files (x86)\Cypress\EZ-USB FX3 SDK\1.3\firmware\basic_examples\cyfxbulksrcsink
编译固件过程同上一节基本不变:
下载固件也基本不变,选择的文件是刚刚编译出来的固件:
工作窗口中原先的Cypress USB BootLoader就编程了我们下载固件的名字(Cypress USB StreamerExample)。
开始菜单中打开Streamer。
进入软件后,会自动识别到FX3设备,按照下图中设置后,单击Start按钮后既可以进行Streamer测试。
实际的结果差异主要和一下几个部分有关:PC、USB3.0线缆、PCB走线。
上面下载的固件是下载到RAM中的,一断电后固件就会丢失,这种在实际应用中是不可取的。
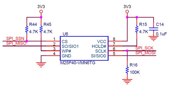
FX3为了方便用户使用,提供两种固件固化方式:SPI FLASH和EEPROM。启动方式可以通过下面方式进行选择。
实际使用过程中SPI FLASH是比较常用的方式,设计的FLASH电路如下所示:
固化方式同上面RAM下载方式相同,下图中选择自己配置的外围器件后,等待下载完成即可。
PS:下载到外围器件后需要选择对应的启动方式后断电重启。




































