Pdp11:内存管理 - ikarishinjieva/unixV6-code-analyze-chs GitHub Wiki
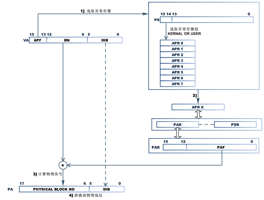
PDP-11 虚地址字长为16位,而总线和CPU地址字长为18位,需要内存管理机制将虚内存地址转化为物理内存地址
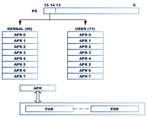
- PDP-11提供两组页寄存器,分别对应核心态和用户态(由PS状态字选择)
- 核心态页寄存器组 称为 KISA
- 用户态页寄存器组 称为 UISA
- 每组页寄存器由8个页寄存器组成
- 每个页寄存器由页地址寄存器和页说明寄存器组成
- 长度为16位
- APF = Active Page Field
对应页寄存器的编号 - BN = Block Number
块号 - BID = Displacement In Block
块内偏移
- 长度为18位
- PHYSICAL BLOCK NO
物理块号 - DIB = Displacement In Block
块内偏移
| 名称 | 英文 | 英文缩写 |
|---|---|---|
| 页寄存器 | Active Page Register | APR |
| 页地址寄存器 | Page Address Register | PAR |
| 页说明寄存器 | Page Descriptor Register | PDR |
| 虚地址 | Visual Address | VA |
| 物理地址 | Physical Address | PA |
1]2] 根据虚地址VA中APF段从页寄存器组中选取某一页寄存器[APR]
3] 选取的页寄存器[APR]中的页地址寄存器[PAR]的0-11位,加上虚地址中块号[BN]段,形成物理块号[PBN]
4] 将得到的物理块号[PBN],与虚地址VA中的块内偏移[DIB]段,拼接成物理地址[PA]



