5.CONCEPT GENERATION - H-division-2022-2023-even/Repo01 GitHub Wiki
Activity 1
| Sl no | Functions from user perspective | Functions from Designers perspective |
|---|---|---|
| 1 | Lifting Objects | Able to mimick user finger movement |
| 2 | Human Arm Gesture | Grip the object |
| 3 | Controller used | Sense the object |
| 4 | Perform specific movement | Entire arm movement |
| 5 | Replicate Human Arm movements (human gloves) | To do some actions |
| 6 | Reduce Human errors | To lift the objects |
| - | - | Sense the gesture from user |
| - | - | Help to do signs using fingers |
| - | - | Wrist movement |
Activity 2

Activity 3

Activity 4

Generated concepts
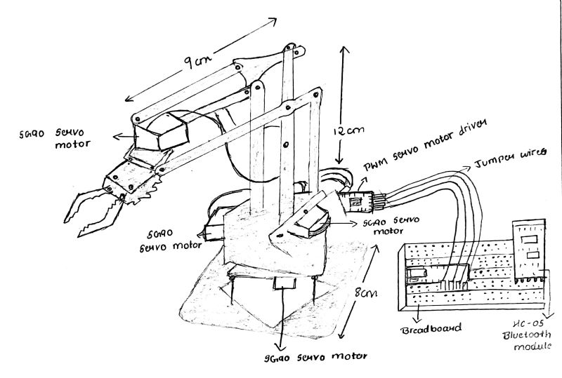
Design 1

Design 2

Design 3

Design 4
